Background
- 프로그램은 실행을 위해 디스크에서 메모리로 적재되어야 함
- 메인 메모리와 레지스터들이 CPU가 접근할 수 있는 유일한 저장소임
- 레지스터에 접근하는 것은 1 CPU clock cycle 이하로 소요됨
- 메인 메모리에 접근하는 것은 수많은 cycle들을 소요할 수 있음
- Cache 접근은 메인 메모리에 접근하는 것과 CPU 레지스터에 접근하는 것 사이만큼의 시간이 소요됨
- 올바른 작동을 보장하기 위해 메모리 보안이 필요함
Memory Address Binding
Memory Address
- Symbolic Address: 코드 단에서 설정하는 address (ex. a = 10)
- Virtual(Logical) Address: 프로그램이 이상적으로 사용하는 주소 체계
- Physical Address: 실제 메모리의 주소. base와 limit register의 쌍이 physical address space를 정의함

Memory-Management Unit (MMU)

- Logical Address -> Physical Address 로 변환하는 과정을 address binding이라고 함
- Address binding은 프로그램이 컴파일될 때 수행되며, 3가지로 분류됨
- Compile time binding: logical memory가 physical memory 그대로 올라감. 시작 location이 바뀌면 코드를 recompile 해야함
- Load time binding: 각각의 symbol에 대해서 loader가 절대 주소를 할당함. 컴파일러는 상대적 주소들을 가진 relocatable code를 구현함
- Execution time binding: process 실행중에 physical memory내 주소가 변할 수 있을 때 사용. 이를 위해 MMU같은 하드웨어의 support가 필요함
- Address binding을 수행하는 하드웨어 디바이스를 MMU라고 함
- 구성
- Relocation register: 가장 작은 physical address의 값을 가짐
- Limit register: logical addresses의 범위 값을 가짐
Contiguous Allocation 연속 할당
Swapping
- Process는 상황에 따라 메모리에서 swapped out되서 디스크에 저장되거나 다시 디스크에서 swapped in 되서 메모리에 저장되는 경우가 있음
- Swap에는 큰 디스크 전송시간이 필요하기 때문에 현재는 메모리 공간이 부족할 때 Swapping 기법이 사용됨
Contiguous Allocation

- 메모리가 할당되는 순서대로 프로세스가 physical memory에 차곡차곡 할당됨
- 아직 할당 안되고 사용가능한 부분을 Hole이라고 함
- Dynamic Storage-Allocation Problem
- Size n의 Hole을 어떻게 할당할까?
- First-fit: 프로세스가 들어갈 수 있을 정도 사이즈의 Hole 중 가장 처음 만나는 Hole에 할당
- Best-fit: 프로세스가 들어갈 수 있을 정도 사이즈의 Hole 중 가장 작은 Hole에 할당. 모든 list를 다 찾아봐야한다는 문제가 있음
- Worst-fit: 가장 큰 Hole에 할당. 모든 list를 다 찾아봐야하고 또다른 Hole을 만들어내게 됨
- 할당은 했는데 안쓰고 남은 공간을 Frament라고 함
- External fragmentation (외부 단편화): 메모리 공간 중 사용하지 못하게 되는 일부분
- Internal fragmentation (내부 단편화): 프로세스가 사용하는 메모리 공간에 포함된 남는 부분
- Compaction (압축): 외부 단편화 해소를 위해 프로세스들을 쭉 밀어서 남는 공간을 확보하는 방법
Non-contiguous Allocation 불연속 할당 - 1) Paging
Paging

- process의 logical memory를 동일한 사이즈의 페이지 단위로 physical memory에 할당하는 방식
- Basic Method
- Physical memory를 Frame이라고 불리는 fixed-sized blocks로 나눔 (사이즈는 2의 제곱. 512 bytes < < 8MB)
- Logical memory를 page라고 불리는 blocks of same size로 나눔
- 사이즈 n pages의 프로그램을 실행시키고 싶으면 n개의 free frames를 찾아서 프로그램을 load함
- Page table을 만들어서 logical -> physical 주소로 변환함
- Internal fragmentation은 있을 수 있지만 external framentation은 없음
- Address Translation Schema: CPU에 의해 생성되는 address는 Page number(p, page table의 index)와 Page offset(d, base address와 합쳐 physical memory address를 정의함)로 나뉜다.

logical address space 2^m, page size 2^n - Address Translation Architecture


Page Table
- Logical Address를 Physical Address로 변환하는 과정에서 사용됨
- 모든 프로그램마다 page table이 있음
- Page table은 메인 메모리에 있음
- Page-table base register (PTBR): 페이지 테이블의 위치를 저장하는 레지스터
- Page-table length register (PTLR): 페이지 테이블의 길이를 저장하는 레지스터
- 모든 메모리 접근은 2번의 메모리 접근 횟수가 요구됨 -> page table 접근, 데이터 접근
- 이를 빠르게 하기 위해 Translation Look-aside Buffer (TLB)와 Associative memory가 사용됨
Associative Memory & TLB

- TLB에서는 Page Number와 Frame Number를 저장하고 이렇게 한 세트를 record라고 함
- TLB는 일종의 캐시라고 생각하면 됨
- TLB에서는 associative memory를 사용하는데 비싼 대신에 더 빠름
- TLB를 이용한 (p, d)의 address translation 과정
- Associative Memory에서 Page table의 일부를 가져옴
- 만약 p가 그 안에 있다면 frame number를 꺼내옴
- 없다면 메인 메모리의 page table에서 frame number를 가져옴 (TLB miss)
- TLB는 context switching time에 flushed 됨
Memory Protection

- 각 frame마다 protection bit을 추가함으로써 memory protection을 구현할 수 있음
- Valid-invalid bit: 유효한지 표현
Structure of the Page Table
Hierarchical Paging

- Two-level Page-table Schema
- Page table 자체를 page로 구성해 하드 디스크에 저장하고 잇다가 필요시 메모리로 로드
- 비유하자면, 10000개의 서류를 보관할 때, 표(table)에 서류 10000개에 대한 모든 정보를 가지고 있는게 아니라 10개로 나눠서 한 테이블에 1000개의 정보를 저장하는 방식
Hashed Page Tables

- Virtual page number가 page table에 hashed됨
- 문제점: 충돌이 발생할 수 있음 -> 전체 영역에 대해서 uniform하고 random하게 분포시켜주면 됨
Inverted Page Tables

- 기존 페이지 테이블의 문제점: 모든 프로세스마다 logical address에 대응하는 모든 page에 대해 page table entry가 존재
- Inverted Page Table: 한 개의 page table만 존재. Page table entry에는 physical memory의 page frame이 담고 있는 내용을 표시. 프로세스 수행시 테이블 전체를 탐색해야 하는 단점이 있지만 associative register로 병렬 탐색 가능
Non-contiguous Allocation 불연속 할당 - 2) Segmentation
Segmentation


- 불연속 할당의 한 방법으로 physical memory에 의미 단위로 나누어 올리는 기법
- 의미 단위로 쪼개서 segment table이 가볍고, sharing과 protection에 있어 paging보다 효과적
- 하지만 메모리 공간 사용의 측면에서 sement의 크기가 동일하지 않아 문제점들이 있음 (external fragment 발생)
- Logical Address Structure
- Segment-number
- Offset
- Sement Table
- 2차원의 Logical address를 Physical Address로 매핑시키는데 사용
- 테이블 요소
- Base: 각각의 segment가 메모리 상에서 어디에 있는지
- Limit: segment의 사이즈
- Segment-table base register (STBR): 메모리에서 segment table의 위치를 가리킴
- Segment-table length register (STLR): 프로그램에서 사용되는 segment의 개수를 나타냄
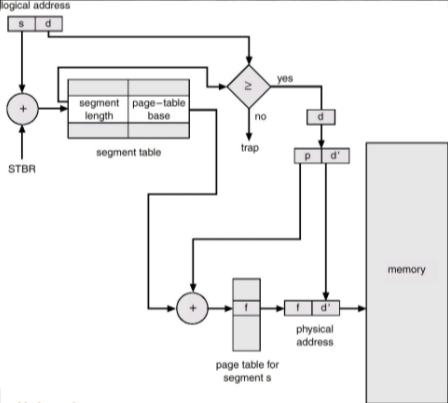
Segmentation with Paging - MULTICS

- MULTICS 시스템은 segment를 paging해서 external fragmentation 문제를 해결함
- Virtual address 구조
- Segment number s
- Page number p
- Displacement d
728x90
반응형
'CS > Operating System' 카테고리의 다른 글
| [OS] Process Syncronization (0) | 2021.11.08 |
|---|---|
| [OS] Virtual Memory (0) | 2021.11.07 |
| [OS] CPU Scheduling (0) | 2021.09.22 |
| [OS] Process and Thread (0) | 2021.09.22 |
| [OS] Computer System Overview (0) | 2021.09.07 |